LM324 operationelle forstærkere: pinouts, applikationseksempler, størrelsespakker, datablad
2023-12-16 65322


Når vi udforsker verdenen af elektroniske kredsløb og design, støder vi ofte på en ekstremt vigtig og kraftfuld komponent - den operationelle forstærker.I denne artikel tager vi et dybtgående kig på LM324-operationelforstærkeren, en enhed, der er populær for dens alsidighed og overkommelige priser. LM324 er ikke kun kendt for sin udbredte anvendelse i en række elektroniske applikationer, men det er også højt ansetFor sin ekspertise med at tilvejebringe præcis kontrol og signalbehandling.Denne artikel giver dig indsigt om LM324 -operationelle forstærkere og deres applikationer.Gennem denne artikel får du en bedre forståelse af alsidigheden og vigtigheden af denne enhed i moderne elektronisk design.

Hvad er LM324?


LM324-serien er en billig quad-operationel forstærker med direkte differentielle input, enkeltgevinstfrekvenskompensation og kortslutningsbeskyttelse.Disse fire uafhængige operationelle forstærkere er genialt integreret i en enkelt-chip-pakke.Sammenlignet med typiske operationelle forstærkere, der bruges i enkelt strømforsyningskredsløb, tilbyder de adskillige ubestridelige fordele.

Disse quad-forstærkere kan fungere ved en strømforsyningsspænding så lav som 3,0 V eller så høj som 32 V, med den stille strøm ca. en femtedel af MC1741 (pr. Forstærker).Det almindelige inputområde inkluderer den negative strømforsyning, der eliminerer behovet for eksterne biaskomponenter i mange applikationer.Dens anvendelse spænder over en række applikationer, herunder sensorforstærkere, DC -forstærkningsblokke og andre scenarier, hvor en enkelt strømforsyningsoperationelforstærker er anvendelig.

LM324 Pinout



LM324 Pinout

Pinout

Pinkode
Pin -navn
Beskrivelse
1
Output1
Output fra op-amp 1
2
Input1-
Invertering af input af op-amp 1
3
Input1+
Ikke-inverterende input af op-amp 1
4
VCC
Positiv forsyningsspænding
5
Input2+
Ikke-inverterende input af op-amp 2
6
Input2-
Invertering af input af op-amp 2
7
Output2
Output fra op-amp 2
8
Output3
Output fra op-amp 3
9
Input3-
Invertering af input af op-amp 3
10
Input3+
Ikke-inverterende input af op-amp 3
11
Vee, GND
Jord eller negativ forsyningsspænding
12
Input4+
Ikke-inverterende input af op-amp 4
13
Input4-
Invertering af input af op-amp 4
14
Output4
Output fra op-amp 4



LM324 -specifikationer


Antal
4
Forsyningsspænding (min) (± 5V, ± 5V ~ 10)
32
Forsyningsstrøm (MAX) (± 5V, ± 5V ~ 10)
3
Input bias strøm
Ind til v-
Gain Bandwidth Product (GBW)
1,2 MHz
Slew rate
0,5 V/µs
Offset spænding (VOS ved 25 ° C)
7mv
Quiescent Current (IQ)
0,175MA
1 kHz støjspænding (VN)
35nv/√Hz
Driftstemperaturområde
0 ° C ~ 70 ° C
Fungere
Generelle formål
Total harmonisk forvrængning
2500000%
Fælles modusafvisningsforhold (CMRR)
80db
Input offset spænding
40 mV
Funktion
Nulling



Funktioner af LM324


  • Bred gevinstbåndbredde: 1,3 MHz-input Common-Mode Spændingsområde inkluderer jord
  • Stor spændingsgevinst: 100 dB
  • Ekstremt lav forsyningsstrøm pr. Forstærker: 375 µA
  • Lav input bias Aktuel: 20 NA
  • Lav input offset spænding: maksimalt 3 mV
  • Lav input offset strøm: 2 NA
  • Bred strømforsyningsområde: Enkelt forsyning: 3V til 30V, dobbelt forsyning: ± 1,5V til ± 15V

Princip om drift af LM324


Betjeningen af LM324 -integreret kredsløb er baseret på den samtidige drift af fire interne operationelle forstærkere.Alle forstærkere drives fra en enkelt strømforsyning med en inverterinput, en ikke-inverter og en enkelt output.Strømforsyningen kan være unipolar eller bipolar.


Unipolar og bipolar

Følgende figur viser det interne kredsløbsdiagram over en unipolær operationel forstærker:


Unipolar internt kredsløbsdiagram

Vi kan se, at hver operationel forstærker består af tre dele: et differentielt trin, et mellemliggende og en outputforstærkerfase.

Differentialstrinnet udfører funktionen ved at forstærke indgangsspændingsforskellen (V+ og V-) og neutralisere fasesignalet.Det giver høj inputimpedans.

Mellemfasen er ansvarlig for operatørafbalancering (nulstilling af spændingen ved output, når input er lukket), der koordinerer modstandene i differential- og outputstadierne og frekvenskorrektion (forebyggelse af selvudstyr).

Outputforstærkerfasen giver lav output-modstand, strøm, der kræves af belastningen, strømbegrænsende og kortslutningsbeskyttelse.

Eksempel ved hjælp af LM324


Overvej en motor, der fungerer med en variabel belastning.Efterhånden som belastningen øges, øges strømmen også, hvilket hæver motorens temperatur.Derfor er vores opgave at lukke systemet ned, når temperaturstigningen overstiger det nominelle interval.Det er her en operationel forstærker fungerer som en proportional komparator.Det er vigtigt at forstå forskellene mellem operationelle forstærkere og komparatorer.I dette scenarie gør en termistor sit job og ændrer sin modstand med temperaturændringer.

Her er en simpel kredsløbsopsætning til sensingtemperatur og kontrol af systemet.



RT = 10Kὠ ved temperatur = 25 ° C.Invertering af input = 1,32V, ikke-inverterende input = 2,36V.
Som et resultat er output høj, og det kan få motoren til at starte via en transistor eller relæ.



RT = 3Kὠ Når temperatur = over 70 ° C.Invertering af input = 1,32V, ikke-inverterende input = 1,06V.
Som et resultat er output lavt, og det kan fjerne motoren via en transistor eller relæ.



Hvis temperaturen skal overvåges i motorens tredje eller fjerde position, kan LM324 bruges i følgende konfiguration.To temperaturfølende RT1- og RT2 -orienteringseksempler.



Anvendelser af LM324


  • Sensorforstærkere
  • Filterkredsløb, spændingsfølgere
  • Integratorer, opdelere, tilføjere, tilføjere, spændingsfølgere osv.
  • DC -forstærkningsmoduler
  • Komparatorer (cyklisk kontrol og regulering)

LM324 Typisk applikationskredsløbsdiagram


1. LM324 som en inverterende AC -forstærker

Denne forstærker kan erstatte transistorer til AC-amplifikation, der er egnet til applikationer som forforstærkning i lydsystemer.Kredsløbet kræver ingen justering.Den bruger en enkelt strømforsyning, hvor R1 og R2 danner en 1/2V+ bias.C1 fungerer som en dæmpningskondensator.


LM324 som en inverterende AC -forstærker

Spændingsamplifikationsfaktoren AV for forstærkeren bestemmes udelukkende af de eksterne modstande RI og RF: AV = -RF/RI.Det negative tegn indikerer, at udgangssignalet er i modsat fase til indgangssignalet.I henhold til de givne værdier i diagrammet, AV = -10.Indgangsmodstanden for dette kredsløb er RI.Generelt vælges RI til at matche signalkildens interne modstand, og derefter vælges RF baseret på den ønskede amplifikationsfaktor.CO og CI kobler kondensatorer.

2. LM324 som en ikke-inverterende AC-forstærker


LM324 som in-fase AC-forstærker

I dette kredsløb er den ikke-inverterende AC-forstærker kendetegnet ved dens høje inputimpedans.R1 og R2 danner en 1/2V+ spændingsdelere, der forspænder op-amp gennem R3.

Spændingsforstærkningsfaktoren AV bestemmes også kun af de eksterne modstande: AV = 1 + RF/R4.Kredsløbets indgangsmodstand er R3, med R4's modstandsværdi, der spænder fra flere kilo-OHM'er til titusinder af kilo-OHM'er.

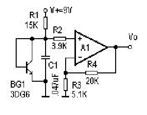
3. LM324 i temperaturmålingskredsløb

Temperaturproben bruger en siliciumtransistor 3DG6, konfigureret som en diode.Temperaturkoefficienten for siliciumtransistorens emitterkrydsspænding er ca. -2,5 mV/° C, hvilket betyder, at forbindelsesspændingen falder med 2,5 mV for hver grad af temperaturstigning.OP-AMP A1 er forbundet som en ikke-inverterende DC-forstærker.Jo højere temperatur er, jo mindre er spændingsfaldet over transistor BG1, hvilket resulterer i lavere spænding ved den ikke-inverterende indgang af A1 og følgelig ved dens output.


LM324 til temperaturmålingskredsløb

Dette er en lineær amplifikationsproces.Ved at tilslutte en måling eller kontrolkredsløb til output fra A1, kan temperaturen angives eller bruges til andre automatiske kontroller.

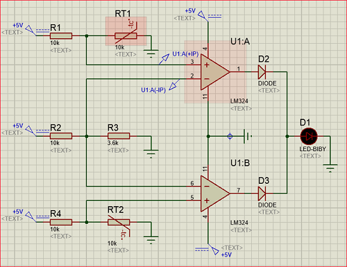
4. LM324 som komparator

Fjernelse af feedbackmodstanden fra op-amp eller overvejelse af, at feedback-modstanden er uendeligt høj (åben loop-tilstand), betyder teoretisk den åbne loop-amplifikationsfaktor for op-amp også uendelig (i virkeligheden er det meget højt,som LM324s åbne loop-gevinst på 100 dB eller 100.000 gange).Under disse forhold fungerer op-amp som en spændingskomparator, hvor dens output enten er et højt niveau (V+) eller et lavt niveau (V- eller jord).Når spændingen ved det positive input er højere end ved det negative input, udsender op-ampen et lavt niveau.


LM324 -applikation som komparator

I dette kredsløb bruges to op-ampere til at danne en spændingsniveau-komparator.Modstande R1 og R1 'danner en spændingsdelere, der indstiller sammenligningsniveauet U1 for op-amp A1.Modstande R2 og R2 'danner en anden spændingsdelere, der indstiller sammenligningsniveauet U2 for op-amp A2.Indgangsspændings UI påføres samtidig på den positive input af A1 og den negative input af A2.Når UI> U1, udsender op-AMP A1 et højt niveau;Når UI < U2, op-amp A2 outputs a high level. If either op-amp A1 or A2 outputs a high level, transistor BG1 conducts, and the LED lights up.

Hvis U1> U2 er valgt, lyser LED, når indgangsspændingen UI forlader området [U2, U1], der fungerer som en spændingsniveauindikator.

Hvis U2> U1, lyser LED, når indgangsspændingen er inden for området [U2, U1], der tjener som en "vindues" -spændingsindikator.

Når det bruges i forbindelse med forskellige sensorer og let modificeres, kan dette kredsløb anvendes til detektion af dobbeltbegrænsning af forskellige fysiske mængder, kortslutning og alarmer med åbent kredsløb osv.

Ækvivalent med LM324


Tilsvarende og udskiftningsmodeller inkluderer: LM3900, LMC660, LM339, LT014, LM2900, LM324A, LM324E, LM324-N, LM324W.

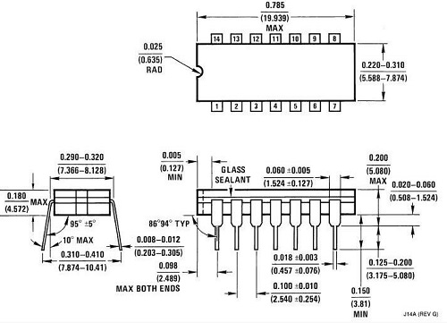
LM324 -pakke



LM324 -pakke

LM324 datablad


Klik her for at downloade IC LM324 PDF -datablad: LM324 (Texas Instruments).

Ovenfor er funktionerne, pinout og parametre for LM324, fra ovenstående er det let at vide, at der er mange fordele ved at bruge LM324 IC, det kan bruges som en operationel forstærker såvel som en komparator, det er en slags elektronisk spændingForstærker med høj gevinst, som er meget almindelig i branchen, og er vidt brugt.

Hvis du har spørgsmål, er du velkommen til at besøge ARIAT Tech, hvor du kan lære mere om elektronik.

almindelige problemer


Hvad er brugen af en operationel forstærker?

Svar: En operationel forstærker er en lineær enhed, der har næsten ideelle egenskaber, der kræves til jævnstrømforstærkning.Derfor er det vidt brugt i signalkonditionering, filtrering og udførelse af matematiske operationer såsom tilføjelse, subtraktion, integration og differentiering.

Hvad er forskellen mellem LM324 og LM339?

Svar: LM324 har komplementære output, mens LM339 har åbne indsamlerudgange.I komplementære output kan strømmen flyde i begge retninger (kilde eller synke) efter behov, hvorimod åbent indsamler kun kan synke strømmen.

Hvad er forskellen mellem LM324 og LM358?

Svar: Selvom både LM324 og LM358 er operationelle forstærkere af generelle formål, har de betydelige forskelle med hensyn til forskellige inputnumre, outputkapaciteter, belastningskapacitans og driftsspændingsområde.Brugere skal foretage et omhyggeligt valg baseret på det specifikke applikationsscenarie og være nøje opmærksomme på de respektive parametre.
OM OS Kundetilfredshed hver gang.Gensidig tillid og fælles interesser. ARIAT Tech har etableret langsigtet og stabilt kooperativt forhold til mange producenter og agenter. "Behandling af kunder med reelle materialer og at tage service som kernen", al kvalitet vil blive kontrolleret uden problemer og passeret professionel
Funktionstest.De højeste omkostningseffektive produkter og den bedste service er vores evige engagement.

Email: Info@ariat-tech.comHK TEL: +852 30501966TILFØJE: Rm 2703 27F Ho King Comm Center 2-16,
Fa Yuen St MongKok Kowloon, Hong Kong.