ULN2003: Introduktion, funktioner, arbejdsprincip, ækvivalente modeller og applikationer
2024-04-18 28277

ULN2003 er en højspænding, højstrøm sammensat transistor array-serie-produkt.Det har høj driftsspænding, høj strømforstærkning, bred temperaturområde og stærk belastningskapacitet, så det er meget velegnet til forskellige systemer, der kræver drivkraft med høj effekt.Denne artikel vil introducere relevant information om ULN2003, herunder dens egenskaber, stifter og funktioner, arbejdsprincip, funktion og anvendelse.Lad os begynde.

Katalog


ULN2003

ULN2003 Oversigt


ULN2003 er en højspændings- og højstrømsdriver, der ofte bruges i forskellige kredsløb til elektronisk låsestyring, motordrev, steppermotordrev, LED-display-konvertering, smart hjemmeudstyr og andre lejligheder, hvor højspændings- og højstrømsanordninger har brug forat blive kontrolleret.Det består af syv silicium -NPN -komposittransistorer, med hvert par darlington -transistorer forbundet i serie med en 2,7 000 basismodstand.Ved en driftsspænding på 5V kan den direkte forbindes til TTL- og CMOS -kredsløb, så det kan direkte behandle data, der oprindeligt krævede standardlogikbuffere.Derfor kan ULN2003 kontrollere flere enheder samtidigt.Det har fordelene ved høj pålidelighed, praktisk interface osv. Og er let at blive integreret i forskellige kredsløb.

Alternativer og ækvivalenter


- LR2003L

- TBD62003APG

- ULN2001

- ULN2001A

- ULN2003A

Hvad er egenskaberne ved ULN2003?


ULN2003 har følgende funktioner:

- Lav sovende strøm: Når output er lav, er søvnstrømmen for ULN2003 meget lav, hvilket hjælper med at reducere strømforbruget og varmeproduktionen.

- DIP-pakke: ULN2003 vedtager dobbelt in-line-pakke for let indsættelse i kredsløbskortet og let lodning.

- Syv programmerbare udgange: ULN2003 har syv outputstifter, som hver kan kontrolleres uafhængigt, hvilket gør det ideelt til at køre flere motorer eller relæer.

- Kompatibilitet på input- og kontrolniveau: Inputstifterne fra ULN2003 vedtager TTL- og CMOS -niveau -kontrol, som er fuldt kompatible med almindelige logiske niveauer, så det er meget praktisk at integrere med andre digitale kredsløb.

-Indbygget gratis Dupont-diode: Hvert Darlington-par har indbygget gratis Dupont-diode for at beskytte skiftekomponenterne mod omvendt spændingsskade og derved forbedre pålideligheden af chippen.

- Høj strøm og høj spænding: Outputet fra ULN2003 kan modstå høj strøm og spænding.Dens maksimale modstandstrøm er 500 mA, og den maksimale modstandsspænding er 50V, hvilket gør det meget velegnet til at kontrollere højeffektmotorer og relæer.

Pin -diagram og funktioner af ULN2003


Pin 1: Denne pin er pulsindgangsterminalen for CPU'en, og porten svarer til en signaludgangsterminal.

Pin 2 til 7: Denne pin er CPU -pulsindgangsterminalen.

Pin 8: Denne pin er jordet.

Pin 9: Denne pin er den almindelige katode for de syv interne freewheeling -dioder.Anoden på hver diode er forbundet til samleren af hvert Darlington -rør.Når den bruges til induktive belastninger, skal denne pin tilsluttes den positive pol i belastningseffektforsyningen for at opnå frihjuling.Hvis denne pin er forbundet til jorden, svarer den faktisk til, at Darlington -røret er forbundet direkte til jorden.

PINS 10 til 16: Disse stifter er puls -signaludgangsterminalerne, svarende til henholdsvis stiften 7, stift 6, stift 5, pin 4, pin 3, pin 2 og pin 1 signalindgangsterminaler.

Pin Diagram and Functions of ULN2003

Arbejdsprincip og funktion af ULN2003


ULN2003 består af to hoveddele, inputsiden og outputsiden.Inputene inkluderer syv inputstifter (IN1 til In7), der bruges til at modtage logiske signaler fra eksterne kilder, mens outputene indeholder syv skiftende rørudgangsporte (OUT1 til OUT7), som er ansvarlige for at kontrollere switching -tilstanden for belastningskredsløbene.

Arbejdsprincippet for ULN2003 er som følger: Når indgangssignalet er højt niveau, vil det tilsvarende switch -rør inde i chippen være i en lukket tilstand, og belastningskredsløbet kan ikke drives af strøm på dette tidspunkt;Når indgangssignalet er lavt niveau, tændes switch -røret og giver således strømmen mulighed for at køre belastningskredsløbet.Ved at ændre inputterminalens niveau kan vi derfor opnå skiftekontrol af den tilsvarende pin på outputterminalen.

Hovedfunktionen af ULN2003 er at drive højspænding, høj strøm og høj induktansbelastning.Da almindelige mikrokontrollere ikke direkte kan kontrollere disse belastninger, kræves ULN2003 til kørsel og kontrol.Derudover er chippen udstyret med en intern undertrykkelsesdiode til at give omvendt beskyttelse i outputporten, hvilket gør hele systemet mere stabilt og pålideligt.

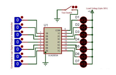
ULN2003 Drive Circuit Diagram


ULN2003 er et integreret kredsløb med 16 stifter.Det integrerer syv par Darlington -transistorer, der hver er i stand til at køre belastninger op til 50V og 500 mA.For disse syv Darlington -par udstyrer vi de tilsvarende syv input- og output -stifter.Derudover indeholder det jordstifter og pins fra generelle formål.Typisk er jordstiften tilsluttet direkte til jorden, mens brugen af en fælles stift er valgfri.Overraskende har denne IC ikke en dedikeret VCC -pin.Dette skyldes, at den magt, der kræves for, at transistoren kan betjene, vil blive trukket direkte fra inputstiften.Nedenfor er et simpelt kredsløbseksempel, der kan bruges til at teste betjeningen af ULN2003 -integreret kredsløb.

ULN2003 Drive Circuit Diagram

I kredsløbet tænker vi på LED'en, da belastningen og logikstifterne bruges til at oprette forbindelse til digitale kredsløb eller mikrokontrollere som Arduino.Bemærk, at den positive pin på LED skal tilsluttes den positive belastningsspænding, og den negative pin skal tilsluttes outputstiften på IC.Dette skyldes, at når inputstifteniveauet for IC går højt, går den tilsvarende outputstift til jorden.Derfor, når den negative terminal af LED er forbundet til jorden, lukkes kredsløbet, hvilket tillader LED til at udsende lys.Den maksimale belastningsstrøm, der er tilsluttet til hver outputstift, er 500 mA, og spændingen er 50V.Men hvis du har brug for at køre en højere strømbelastning, kan du gøre det ved at tilslutte to eller flere outputstifter parallelt.For eksempel, hvis du forbinder tre stifter parallelt, kan du køre ca. 1,5A.COM -pin bruges til at oprette forbindelse til jorden gennem kontakten, denne forbindelse er valgfri.Det kan bruges som en testkontakt, dvs. når denne pin er tilsluttet til jorden, vil alle udgangsstifter være tilsluttet til jorden.

Hvor bruges ULN2003?


I praktiske anvendelser bruges ULN2003 ofte til at drive induktive belastninger såsom steppermotorer, relæer og magnetventiler.Da disse belastninger normalt kræver større strømme og højere spændinger til at drive, har ULN2003 tilstrækkelige kørekapaciteter, mens de har mindre strømforbrug og højere pålidelighed, hvilket gør det til et ideelt valg til at køre disse belastninger.

Ud over den grundlæggende kørefunktion kan ULN2003 også realisere mere komplekse kontrolfunktioner ved at bruge eksterne modstande, kondensatorer og andre komponenter.For eksempel kan vi bruge eksterne modstande til at justere størrelsen på outputstrømmen eller gennem eksterne kondensatorer til at realisere de-jitter og andre funktioner.Realiseringen af disse kontrolfunktioner udvider ikke kun omfanget af anvendelsen af ULN2003, men forbedrer også fleksibiliteten ved dens anvendelse.

I design- og fremstillingsprocessen for elektronisk udstyr er ULN2003 vidt brugt.Det kan bruges i forskellige kontrolkredsløb, drivkredsløb, beskyttelseskredsløb og andre lejligheder, hvilket giver en vigtig garanti for den normale drift af elektronisk udstyr.På samme tid, fordi ULN2003 har en mindre størrelse og lavere strømforbrug, er det også blevet brugt i vid udstrækning i elektroniske enheder, der forfølger miniaturisering og lavt strømforbrug.

Hvordan bruger man ULN2003 til at køre steppermotor?


Først er vi nødt til at forbinde strømforsyningen af steppermotoren til en passende forsyningsspænding og sørge for, at forsyningsspændingsområdet for ULN2003 opfylder kravene i steppermotoren.Dernæst forbinder vi outputstifterne fra ULN2003 til kontrollerne af steppermotoren.Steppermotorer har typisk fire kontrollinjer (A, A ', B, B') svarende til to faser.Vi forbinder hver af de fire output (out1 gennem out4) af ULN2003 til disse fire kontrollinjer i steppermotoren.Derefter forbinder vi et kontrolsignal (f.eks. Fra en mikrokontroller) til input fra ULN2003.Når indgangssignalet er højt, trækkes den tilsvarende ULN2003 -udgangstift lavt, hvilket får stepmotoren til at rotere.Vi er derefter nødt til at skrive programmet for at kontrollere trinmotoren ved hjælp af et passende programmeringssprog.Afhængig af typen af steppermotor (enfaset, to-fase, fire-fase osv.), Er vi nødt til at bestemme den rigtige trin-sekvens og kontrolsignaler.Endelig kører vi programmet og tester steppermotorens bevægelse.Efter behov kan vi justere trinsekvensen og hastigheden på steppermotoren for at sikre, at den fungerer som forventet.






Ofte stillede spørgsmål [FAQ]


1. Hvad erstatter ULN2003 MOSFET?


Vi har en MOSFET -svarende til ULN2003, kaldet TPL7407LA.

2. Hvad bruges ULN2003 til?


ULN2003 IC er en af de mest almindeligt anvendte motordriver IC.Denne IC er praktisk, når vi har brug for at køre høje strømbelastninger ved hjælp af digitale logiske kredsløb som op-kort, timere, porte, Arduino, Pic, arm osv.

3. Hvad er ULN2003 -chip?


ULN2003 Driver Module er en steppermotordriver, lille størrelse og let at bruge.Den bruger ULN2003 -driverchippen til at forstærke kontrolsignalet fra Arduino.Denne ultra lette og billige mulighed, der ofte bruges til at køre og kontrollere de små applikationer steppermotorer.

4. Hvorfor bruger vi ULN2803?


ULN2803 -integreret kredsløb bruges som en strømgrænseflade til kredsløb med CMOS og TTL -teknologi.Denne integrerede har 8 NPN -transistorer i Darlington -konfiguration med beskyttelsesdioder, til kontrol af motorer, induktive belastninger, relæer og mere.

5. Hvad er forskellen mellem ULN2002 og ULN2003?


ULN2002A er specifikt designet til brug med 14- til 25-V PMOS-enheder.Hver input af denne enhed har en Zener -diode og modstand i serie for at kontrollere indgangsstrømmen til en sikker grænse.ULN2003A har en 2,7-kΩ-serie-basismodstand for hvert Darlington-par til drift direkte med TTL- eller 5-V CMOS-enheder.

OM OS Kundetilfredshed hver gang.Gensidig tillid og fælles interesser. ARIAT Tech har etableret langsigtet og stabilt kooperativt forhold til mange producenter og agenter. "Behandling af kunder med reelle materialer og at tage service som kernen", al kvalitet vil blive kontrolleret uden problemer og passeret professionel
Funktionstest.De højeste omkostningseffektive produkter og den bedste service er vores evige engagement.

Email: Info@ariat-tech.comHK TEL: +852 30501966TILFØJE: Rm 2703 27F Ho King Comm Center 2-16,
Fa Yuen St MongKok Kowloon, Hong Kong.